Bus CAN moteur (PE00.19-P-2200-GC)




Bus CAN habitacle (PE00.19-P-2300-GC)


Signal de vitesse train avant (GES) (PE00.19-P-2000-GC)


Signal de vitesse train arrière (GES) (PE00.19-P-2100-GC)




Injection Diesel Common-Rail (CDI) (PE07.16-P-2000-GD)
Moteur 668 faisceaux de câbles bloc moteur


Injection Diesel Common-Rail (CDI) (PE07.16-P-2000-GC)
Moteur 668 avec code (440a) Tempomat, faisceaux de câbles compartiment moteur/plancher porteur, partie 1








Injection Diesel Common-Rail (CDI) (PE07.16-P-2000-GE)
Moteur 668 faisceaux de câbles compartiment moteur/ plancher porteur, avec protection antigel de tubulure de remplissage d’huile (jusqu’au 31.08.00), partie 2







Système d’injection d’essence et d’allumage MSM (PE07.53-P-2000-GD)
Moteur 166 faisceaux électriques bloc moteur (jusqu’au 31/08/01)



Système d’injection d’essence et d’allumage MSM (PE07.53-P-2000-GG)
Moteur 166 faisceaux électriques bloc moteur (depuis le 01/09/01)



Système d’injection d’essence et d’allumage MSM (PE07.53-P-2000-GC)
Moteur 166 faisceaux de câbles compartiment moteur/plancher porteur, partie 1






Système d’injection d’essence et d’allumage MSM (PE07.53-P-2000-GE)
Moteur 166 avec code (440a) Tempomat, faisceaux de câbles compartiment moteur/plancher porteur, partie 2 (jusqu’au 31/08/01)








Système d’injection d’essence et d’allumage MSM (PE07.53-P-2000-GF)
Moteur 166 avec code (440a) Tempomat, faisceaux de câbles compartiment moteur/plancher porteur, partie 2 (depuis le 01/09/01)








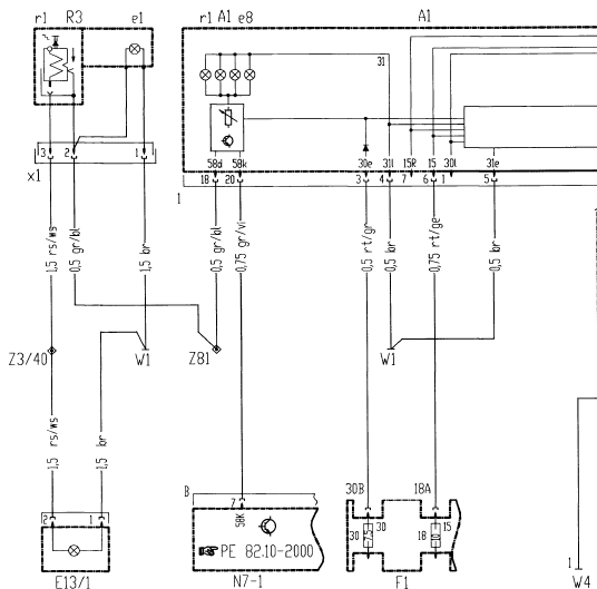
Démarreur, alternateur (PE15.00-P-2000-GD)
Moteur 668 jusqu’au 28.02.01




Démarreur, alternateur (PE15.00-P-2000-GE)
Moteur 668 depuis le 01.03.01




Démarreur, alternateur (PE15.00-P-2000-GF)
Moteur 166 depuis le 01.09.01




Démarreur, alternateur (PE15.00-P-2000-GC)
Moteur 166




Embrayage automatisé (PE25.19-P-2000-GC)
Avec boîte de vitesses 716.5





Boîte de vitesses automatique (AG) (PE27.19-P-2000-GC)
Boîte de vitesses 722.7





Dispositif d’attelage (PE31.19-P-2000-GC)
Avec code (550) dispositif d’attelage





Programme électronique du comportement dynamique ESP (PE42.45-P-2000-GD)
Type 168.### 1J jusqu’à 016125 avec code (472a) Programme électronique du comportement dynamique (ESP)








Programme électronique du comportement dynamique ESP (PE42.45-P-2000-GC)
Type 168.### 1J à partir de 016126 avec code (472a) Programme électronique du comportement dynamique (ESP)








Programme électronique du comportement dynamique ESP (PE42.45-P-2000-GE)
Depuis 1.3.01 avec code (472a) Programme électrique de comportement dynamique (ESP)








Pompe de servo-direction (PE46.30-P-2000-GC)


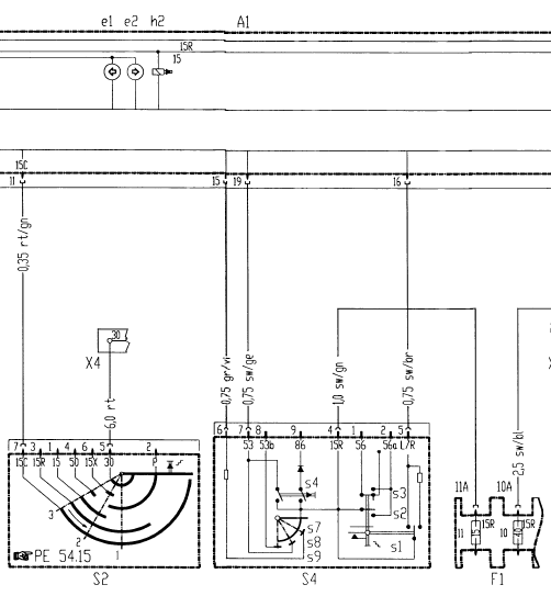
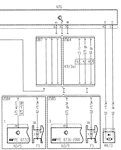
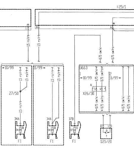
Boîte à fusibles et à relais (F1) (PE54.15-P-2000-GC)
Alimentation des fusibles jusqu’au 28.02.01







Boîte à fusibles et à relais (F1) (PE54.15-P-2000-GD)
Alimentation des fusibles depuis 1.3.01







Calculateur multifonctions pour véhicules spéciaux (MSS) (PE54.21-P-2105-GC)
Avec code (450) version taxi avec code (934) système d’appel d’urgence pour taxis









Connecteur de diagnostic et prise de diagnostic (PE54.22-P-2000-GC)
Jusqu’au 31/08/01







Connecteur de diagnostic et prise de diagnostic (PE54.22-P-2000-GD)
A partir du 01/09/01






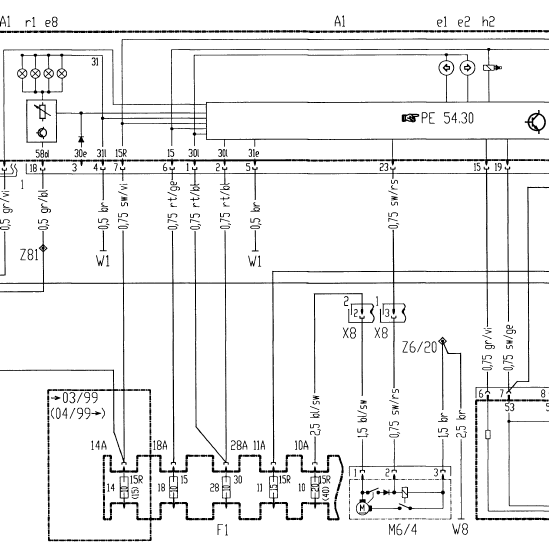
Combiné d’instruments (KI) / afficheurs /dispositifs d’avertissement (PE54.30-P-2000-GC)










Système de signalisation (PE54.35-P-2000-GC)


Système Parktronic (PTS) (PE54.65-P-2000-GC)





Lunette arrière chauffante (PE67.29-P-2000-GC)


Rétroviseur intérieur électrochrome (PE68.49-P-2000-GC)
Avec code (249a) rétroviseur intérieur électrochrome


Miroir de courtoisie (PE68.69-P-2000-GC)


Lève-glace AV (PE72.29-P-2100-GC)


Lève-glace AV et AR (PE72.29-P-2000-GC)





Toit ouvrant (PE77.20-P-2001-GC)
Avec code (417a) toit à lamelles


Verrouillage centralisé (ZV) (PE80.20-P-2000-GC)






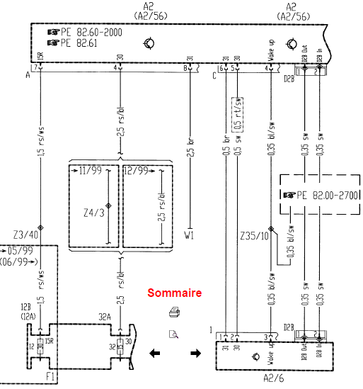
Bus de données D2 (PE82.00-P-2700-60GC)
Depuis 01/09/98


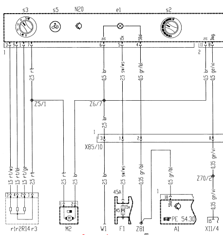
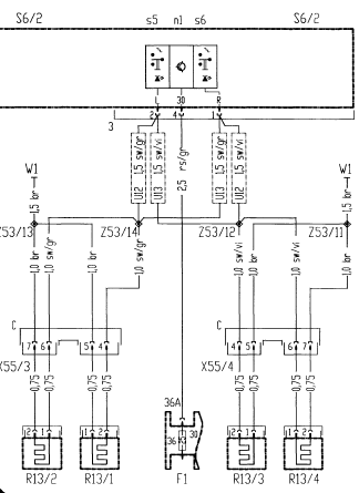
Indicateurs de direction, feux de détresse (PE82.10-P-2200-GC)




Eclairage extérieur (PE82.10-P-2000-GC)
Sans clignotants / sans feux de détresse










Eclairage intérieur (PE82.20-P-2000-GC)




Essuie-glace (PE82.30-P-2000-GC)






Essuie-glace (PE82.30-P-2000-GD)
Depuis 1.3.01 avec code (875) système lave-glace chauffé avec capteur de pluie





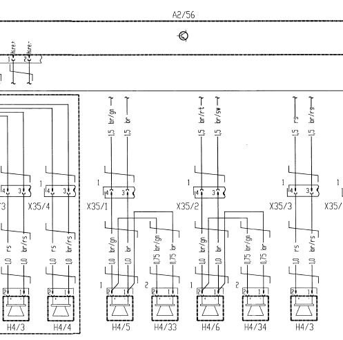
Autoradio (PE82.60-P-2000-GC)






Autoradio (PE82.60-P-2000-GD)
Depuis 01/09/98 avec code (810) Sound-System







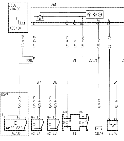
Audio 30 APS (PE82.61-P-2100-GC)
Avec code (353) audio 30 APS avec code (815) guidage dynamique à destination avec code (810) Sound System






Système de navigation (APS) (PE82.61-P-2000-GC)
Avec code (351) système de navigation (APS) avec code (815) guidage dynamique à destination sauf code (810) Sound System






Système de navigation (APS) (PE82.61-P-2000-GD)
Avec code (351) système de navigation (APS) avec code (815) guidage dynamique à destination avec code (810) Sound System








Chargeur de CD (PE82.64-P-2000-GC)
Jusqu’au 30.11.98 avec code (819) chargeur 6xCD dans coffre à bagages sans bus D2


Chargeur de CD (PE82.64-P-2000-GD)
Depuis 1.12.98 avec code (819) chargeur 6xCD dans coffre à bagages avec bus D2


Chauffage (PE83.20-P-2000-GC)
Jusqu’au 28.02.01


Chauffage (PE83.20-P-2000-GD)
Depuis 01/03/01 avec moteur 166


Chauffage (PE83.20-P-2000-GE)
Depuis 01/03/01 avec moteur 668 et réchauffeur PTCr




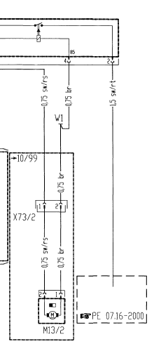
Climatiseur (PE83.30-P-2000-GC)







Climatiseur (PE83.30-P-2000-GD)
Depuis 1.12.99 jusqu’au 28.02.01





Climatiseur (PE83.30-P-2000-GE)
Depuis 1.3.01 avec moteur 166





Climatiseur (PE83.30-P-2000-GF)
Depuis 1.3.01 avec moteur 668 et réchauffeur PTC







Réchauffeur de température (PE83.70-P-2100-GC)





Rétroviseur extérieur (PE88.79-P-2000-GC)


Chauffage des sièges (SIH) (PE91.30-P-2000-GC)



Airbag (PE91.60-P-2000-GC)
Avec code (292) sidebag AVG et AVD avec rétracteur de ceinture, reconnaissance d’occupation et de montage de siège






Airbag (PE91.60-P-2000-GD)
Depuis 01.03.01 avec code (292) sidebag AVG et AVD avec code (290) windowbag avec rétracteur de ceinture, détecteur d’occupation du siège et détecteur de siège







Utilisation des schémas électriquesPurge du circuit de freinage
Avec un appareil de remplissage et purge
Raccorder l'appareil de purge au bocal de liquide de frein (Fig.Fre.17).
Nota : pression de purge : environ 2 bars.
Procéder à la purge.
Si la course de la pédale de frein est trop longue, il faut
assiste ...
Réglage des dossiers multicontours
Afin d'apporter un meilleur soutien à la colonne vertébrale, vous pouvez adapter
le galbe du dossier des sièges avant à votre morphologie.
Réglage du galbe du dossier dans la zone lombaire
Réglage du galbe du dossier dans la zone dorsale
R&e ...
Essence (EN 228)
Qualité du carburant
Utilisez uniquement
du supercarburant sans plomb dont l'indice d'octane est de 95 RON/85 MON au minimum
et qui satisfait aux exigences de la norme européenne EN 228 ou bien du carburant
de qualité équivalente.
N'utilisez pas les
carb ...
